Alimentations et VRM !

Hey !
Aujourd'hui, gros pavé sur un élément essentiel d'un PC : Les alimentations. Où sont-elles ? Comment marchent-elles ? À quel point faire attention ?
Aller, c'est parti !
DISCLAIMER : Malgré le fait que nous parlons d'alimentation, il reste très fortement déconseillé de bidouiller (démonter son alimentation...) sans comprendre.
Autrement, un risque de dégâts matériels (Courts-circuits...) voire blessures est encouru.
Pour commencer, à quoi ça sert une alimentation ?
Comme vous le savez (ou pas !), un PC ça fonctionne avec de l'électricité, et beaucoup. Mais cette électricité, elle vient d'où ?
Au début, l'électricité, c'est EDF qui gère ça, et on ne va pas regarder cette partie-là.
Mais à un moment, elle arrive dans votre setup, sous la forme d'une prise murale, d'une tension de 230VAC. C'est beaucoup beaucoup trop pour votre PC !
En effet, "dans" le mur, la tension oscille entre +325V et -325V.
À titre d'information, à ce ne serait-ce que 3V, votre processeur, RAM ou GPU est déjà bon pour la poubelle depuis longtemps.
Nous avons besoin d'appareils qui convertissent la tension d'entrée en version acceptable pour nos composants.
Et pour cela, nous avons ce que nous appelons : Alimentation. Généralement standard ATX (ou SFX - SFX-L), ces dernières ont une mission cruciale :
Transformer le 230VAC entrant en une tension bien inférieure (entre 3.3 V et 12V).

Mais ? 3.3 V, c'est déjà trop ? Et oui, malgré son nom évident, elle n'est loin d'être la seule à être en charge des alimentations dans le PC !
Une grosse partie est même faite à proximité immédiate des composants cruciaux, pour une raison très simple : La chauffe.
En effet, un câble, ou n'importe quel élément conducteur, produit de la chaleur selon la formule : P = RI^2 !
Ainsi, chaque ampère (I) de plus nous revient au carré en puissance dissipée par le fil, ce qui peut rapidement devenir problématique.
À l'opposé, chaque volt de plus n'augmente en rien la dissipation des conducteurs.
C'est donc pour ça qu'un bloc d'alimentation, ça produit des tensions entre 3.3 V et 12V (en produisant la majorité de la puissance sur le 12V).
*Et cette tension de 12V tends de plus à plus à être insuffisante, les puissances en jeu impliquent de trop forts courants.
Un bloc d'alimentation, c'est un circuit très spécialisé, en charge de produire de fortes puissances (de 400W à plusieurs milliers de watts).
Leur fonctionnement est très complexe.
À titre d'information, une alimentation repose sur l'usage d'un transformateur abaisseur, ainsi que sur divers composants, avant et après le transformateur, afin de réguler et sécuriser les sorties.
Voici une image d'une RM1000e démontée.

Ainsi, sur les câbles que vous branchez, la tension est de 12V à l'exception du câble ATX24 pins qui lui regroupe un mélange de tensions.

On peut donc rapidement deviner qu'il y a un élément entre cette alimentation et votre processeur.
Et cet élément, ce sont les VRM !

Ce sont donc ça les blocs gris pas loin du processeur, généralement bien cachés derrière des gros radiateurs.
Et ce sont eux qui ont pour missions de convertir le 12V en entrée en une tension acceptable pour le processeur, aux alentours de 1.3V (Coucou Intel).
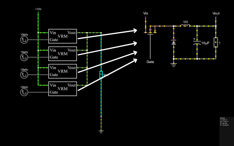
Leur fonctionnement est relativement complexe, cependant pour les plus intéressés voilà un petit schéma simulé avec falstad. Une simulation de ce circuit est disponible via un lien en bas.

Le principe est de découper le 12V en entrée, pour en générer des pulses assez peu larges (de l'ordre de 1/10 de la durée totale de découpe).
Ensuite, nous mettons derrière cela une série de composants passifs permettant de lisser ces pics en une tension stable et propre.
Au vu des très fort besoin en courant de nos processeurs (253W sous 1.5 V, ça fait la bagatelle de 170A...), nous sommes obligés de mettre en parallèle un bon nombre de ces circuits.
Et ces VRM, on en retrouve à toutes les sauces dans un PC !
Les plus connues sont celles du processeur et de la carte graphique, mais elles sont aussi présentes pour :
La mémoire, sur la carte mère jusqu'à la DDR4, et intégrée en plus sur la barrette depuis la DDR5 ! (pour réduire les pertes et affiner la régulation)
Pour les divers circuits : USB, Contrôleurs PCIe, Circuits Ethernet, et même dans vos SSD !
Il y en a aussi dans vos périphériques, bref, partout ou il est nécessaire de générer une tension d'alimentation à partir d'une autre.
Cette omniprésence est due à leur rendement, bien meilleur que les autres solutions existantes.
Mais comment choisir ses VRM ? En effet, les carte mère proposent X phases (X circuits en parallèle, je vous ai donc montré un schéma avec quatre phases), chacune disposant d'une capacité en courant.
Ainsi, une carte mère possédant 16 phases de 60A chacune sera en théorie capable de fournir 960W de puissance au processeur.
Attention donc au marketing, une carte mère avec 16 phases 60A et une avec 12 phases 80A seront donc équivalentes au niveau VRM. Plus de phases ne veut pas dire meilleur.
Afin de garantir un rendement et une chauffe acceptable, il est conseillé de choisir cette puissance de manière à être 4 à 5 fois supérieure à la puissance moyenne consommée.
Cela n'est généralement pas difficile, et il est alors préférable de choisir une carte mère mieux équipée au niveau des USB et autres connectiques.
Et maintenant que nous avons fait un tour, attardons-nous sur quelques détails, non sans importance !
----------------------------------------------------------------------------------------------------------------------------------------------------
En premier, la complexité. Je vous ai expliqué rapidement la chaine d'alimentation d'un pc, elle est cependant bien plus complexe.
Le schéma que je vous montre et donne, il n'est pas exact.
Une version améliorée est en réalité utilisée, mais nettement plus compliquée. Le principe reste le même.
----------------------------------------------------------------------------------------------------------------------------------------------------
En deuxième, tout le système présenté, je n'ai pas parlé de sécurités. Concrètement, elles sont nombreuses, et tout au long de la chaine.
Sur l'alimentation, on parle des :
OCP : Protège d'un courant trop élevé, indiquant donc un défaut matériel (1.1 x la puissance maximale par exemple)
OVP : Protège d'une tension trop élevée en sortie.
UVP : Protège d'une tension trop faible en sortie.
SCP : Protège d'un court-circuit (10 x le courant maximal)
PG : Protège d'un courant excessif lorsque le pc est en veille.
Ces sécurités font partie du minimum pour être en sécurité avec son pc, en cas de défaut.
Petit rappel : Ces sécurités agissent contre un défaut du matériel, et éventuellement une erreur humaine.
Elles ne sont pas conçues, et ne fonctionnement pas si vous faites n'importe quoi avec votre PC.
----------------------------------------------------------------------------------------------------------------------------------------------------
Et dernier point : le Coil Whine ! Eh oui, cet affreux sifflement, qui fait mal aux oreilles, et qui n'est pas pris en garantie bien souvent.
Il prend son origine des bobines (coil en anglais).

Ces bobines sont soumises à des fréquences de commutation élevées, de l'ordre de quelques dizaines de kHz.
Cependant, dans certains cas, la bobine présente un défaut matériel, et viendra alors résonner (= vibrer), à une fréquence audible.
La puissance traversée par la bobine influe sur le volume sonore.
C'est donc pour ça qu'une carte graphique peut se mettre à émettre son grincement lorsque soumise à forte charge.
Il est nécéssaire de noter que le coil whine n'est en aucun cas dangereux ni pour la bobine, ni pour les composants derrière. Il n'est que chiant.
Et malheureusement, contre le coil whine, il n'y a pas de solution magique.
L'origine vient directement du choix des composants par le fabricant, et est donc lié au prix et à la gamme du produit.
Un modèle haut de gamme sera moins sujet au coil whine, puisque le choix des composants a été fait de manière plus rigoureuse, et intégère des bobines triées pour ne pas présenter ce défaut, et / ou un composant à base de silicone / caoutchouc pour absorber ces vibrations.
ATTENTION : Les modèles entrées de gammes peuvent aussi y échapper, non pas par la qualité des composants, mais par le faible stress qui leur est imposé.
----------------------------------------------------------------------------------------------------------------------------------------------------
Et c'est la fin de cette rapide présentation des alimentations, le sujet est bien plus complexe en réalité...
Tchuss !
Et pour ceux qui veulent lire plus :
https://i.sstatic.net/Spsgx.png
https://en.wikipedia.org/wiki/ATX#Power_supply
https://www.cgdirector.com/motherboard-vrm-guide/
https://hwbusters.com/psus/corsair-rm1000e-gen5-psu-review/3/
https://www.hwcooling.net/en/in-depth-analysis-of-coil-whine-of-30-graphic-cards/
VRM




